DL-G10L型多路換向閥說明書
DL-G10L型多路換向閥
DL-G10L型多路換向閥|多路換向閥
用途與特征
DL-G10L型多路換向閥,是采用日本內田油壓D04T多路換向閥技術研制而成。主要用于全液壓汽車起重機的下車操縱控制,高空作業車下車操縱控制和全液壓隨車吊的操縱控制。
該閥體采用鑄造油道片式結構,具有體積小、流量大、壓力損失小、集成度高、操縱力小、結構緊湊等優點。
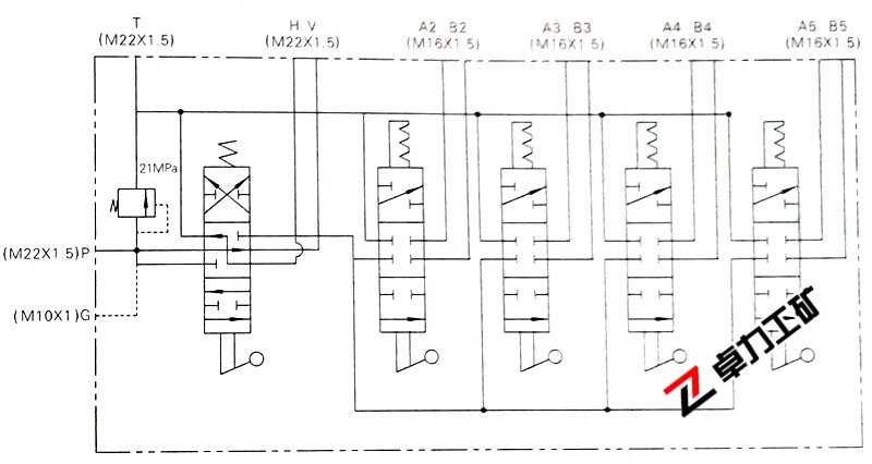
該系列多路閥由進油閥體(帶溢流閥)、標準換向閥體、回油閥體組合而成。
還可根據不同用戶要求,任意組合形成不同用途的多路換向閥.
還可根據不同用戶要求,任意組合形成不同用途的多路換向閥.
性能參數
| 通徑 | 公稱壓力 | 公稱流量 | 許用背壓 | 先導控制壓力 |
| 10 | 25 | 86 | 3 | - |

液壓原理圖

外形及連接尺寸

卓力工礦是國內知名DL-G10L型多路換向閥生產廠家,有豐富的經驗為客戶提供高品質的DL-G10L型多路換向閥及完善的售后服務,如果您想了解最新DL-G10L型多路換向閥價格或者更詳細信息,歡迎撥打服務熱線:
13280082001 18605374511.或者聯系在線客服:
點擊這里、立刻咨詢;我們攜程為您服務!
常見問題:DL-G10L型多路換向閥發貨時間? DL-G10L型多路換向閥售后保障? DL-G10L型多路換向閥訂貨需要提供什么信息?
產品標簽:DL-G10L型多路換向閥|
多路換向閥
|
上一篇:ZTXCF整體下車多路換向閥
下一篇:ZTDLF整體多路換向閥

鐵路設備
運轉設備
鉆采設備
噴漿支護
提升設備
防爆電器
礦用電氣
通防設備
救援設備
化工設備
路面建筑
園林機械
節能環保設備
水利機械
泵類
電機




















